Hello, welcome to the official website of Chongqing Machine Tool (Group) Co., Ltd.!
全部分类>
VSC260
Grinding center
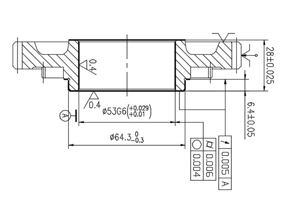
It is suitable for hot turning and grinding of disc gear parts.
Detail

High precision and high efficiency CNC equipment for turning grinding integrated machining

 

One time clamping completes turning and grinding, which significantly improves the machining accuracy and efficiency.

 

Inverted vertical layout, compact structure and good chip removal effect; Fully enclosed protection, beautiful and generous, and effectively prevent chip and coolant splash.

 

Motorized spindles are used for turning and grinding spindles, which are equipped with circulating water cooling to effectively control the heat source and effectively improve the machining accuracy and machining stability.

 

The linear feed axis adopts grating ruler full closed-loop feedback to effectively improve the transmission accuracy.

 

Equipped with circulating silo, the workpiece spindle directly grabs the workpiece from the silo, with high degree of automation and high efficiency.

 

Show artifacts

ehG7Wb-hT1W9Urn7ellk_w.jpg

Main specifications and parameters of machine tool

Maximum rotation diameter (mm)

Φ260

Maximum workpiece diameter (mm)

Φ200

Maximum workpiece length (mm)

80

Workpiece spindle power (kw)

15

Spindle power of internal circular mill (kw)

15

Power of cylindrical grinding spindle (kw)

18

X-axis stroke (mm)

1600

Z-axis stroke (mm)

300

Tool parameters

Tool specification

Cylindrical knife:20*20

Blade specification

SDJCR2020K11

Blade material

KW10

Cutting parameters

Processing content

Finish turning outer circle and end face

Finish turning inner hole

Rear end face of rollover

Finish grinding cylindrical end face

Fine grinding inner hole

Spindle speed

800r/min

1000r/min

800r/min

3000r/min

20000r/min

Feed rate

0.08mm/r

0.1mm/r

0.06mm/r

800mm/min

600mm/min

Auxiliary time

12S

2S

2S

2S

2S

Cutting time

14S

20S

8S

22S

20S

Step time

26S

22S

10S

24S

22S

Single piece beat

106S

 

Keyword:
Turning mill
Processing
min
Spindle
Workpiece
mm
Effective
2s
Improve
maximum
Previous NONE
Next NONE
RECOMMENDED PRODUCTS
Diamond wire single root square cutting machine
KFD900
Diamond wire single root square cutting machine
VIEW MORE
Hob
Hob
VIEW MORE
Large CNC moving gantry friction stir welding machine
FSW16MG400
Large CNC moving gantry friction stir welding machine
VIEW MORE
Gear shaper cutter
Gear shaper cutter
VIEW MORE
Grinding center
VSC260
Grinding center
VIEW MORE
Wind power blade drilling and cutting machine
FDS5000
Wind power blade drilling and cutting machine
VIEW MORE
Double spindle vertical CNC lathe
VHC300
Double spindle vertical CNC lathe
VIEW MORE
Shaving knife
Shaving knife
VIEW MORE
CNC gear extruding machine
YK8425A
CNC gear extruding machine
VIEW MORE
Milling cutter
Milling cutter
VIEW MORE
High speed precision CNC lathe
DT400
High speed precision CNC lathe
VIEW MORE
CNC gear fillet chamfering machine
YKR9332
CNC gear fillet chamfering machine
VIEW MORE
I WANT TO CONSULT